一品楼品凤楼论坛官网网址,全国名媛凤楼,栖凤楼茶楼论坛详情,全国楼风信信息app破解

在线留言 收藏本站 网站地图欢迎进入青天伟业仪器仪表有限公司网站!

20年专注流体测控设备,畅销全球近200个国家稳定性好、库存充足、支持定制

服务热线:15890954071

青天仪表新闻中心
电磁流量计传感器测量的传统方法是什么?

电磁流量计传感器测量的传统方法是什么?

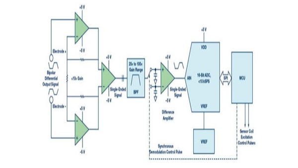
电磁流量计传感器测量的传统方法大致上是模拟式—具有高输入阻抗和高输入共模抑制性能的前置放大器用来应对传感器漏电流效应,然后是三阶或四阶模拟带通滤波器和采样保持级,最后是模数转换。典型模拟前端方法如下图…
电磁流量计的工作原理是什么?

电磁流量计的工作原理是什么?

随着全球人口增长,人类消耗着大量的水,用水量会越来越大。流量计至关重要,既能监测生活废水,也是污水处理厂过程控制系统不可或缺的一部分。流量计还被用于许多工业控制过程,包括化学/制药、食品饮料、纸浆造纸…
热式气体质量流量计使用可靠性强吗?

热式气体质量流量计使用可靠性强吗?

热式气体质量流量计是一种有着很多优点的设备,能给大家带来很多的便捷。这篇文章就针对热式气体质量流量计进行相应的介绍,希望大家都能好好的了解这一设备,今后使用也能更加顺手减少失误的产生。1、测量的灵敏度…
涡轮流量计的流量怎么计算?

涡轮流量计的流量怎么计算?

通常情况下,涡轮流量计的流量方程可分为两种:实用流量方程:Qv式=f/k,和qm=qv式子中qv,qm分别为体积流量,m3/,质量流量,kg/f为流量计输出信号的频率,HzK为流量计的仪表系数,P/m…
金属管浮子流量计与普通的转子流量计有什么区别

金属管浮子流量计与普通的转子流量计有什么区别

两者的原理是差不多的,毕竟玻璃转子流量计也是浮子流量计的一种,平常称的转子流量计,浮子流量计,一般都是玻璃转子流量计,但是玻璃转子流量计的测量管毕竟是玻璃管,玻璃管是易碎品,没办法承受过大的压力,而金…

咨询热线

15890954071